--P. Ajmone Marsan, C. Livini, A. E. Melchinger1, M. N. Messmer1, M. Motto
1Univ. Hohenheim, Stuttgart
Genetic relationships among inbreds have always been interesting to maize breeders as a helpful hint to the choice of high yielding crosses. Several morphological and biochemical markers have been used to separate inbred lines into breeding groups and to assign inbreds of unknown or uncertain origin to these heterotic groups (Smith, JSC and Smith, Maydica 34:151-161, 1989).
RFLP analysis can be used to assess genetic distance among genotypes at the molecular level. In maize, a theoretically unlimited number of RFLP markers is available for all chromosomes allowing a very good saturation of the whole genome.
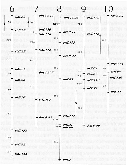
Forty-one inbred lines (Table 1) chosen from the maize germplasm collection present at the Bergamo Cereal Crops Experimental Station, have been submitted to RFLP analysis. DNA from these inbreds was separately restricted with EcoRI and HindIII and hybridized with 83 genomic probes kindly supplied by Dr. Hoisington, University of Missouri, Columbia (Fig. 1). Genetic distances among lines were calculated using Dice (Dice, Ecology 26:297-302, 1945) similarity coefficient. Collected data were subjected to cluster analysis by using the average linkage (UPGMA) method.
The results of this analysis are shown in Fig. 2. The cluster analysis differentiated the inbreds in agreement with known pedigrees. All lines derived from Iowa Stiff Stalk Synthetic (SSS) heterotic group clustered together. Within this group it is possible to distinguish different subgroups of lines related to B73, B37, and B14A. Other clusters are formed by inbreds belonging to the Lancaster Sure Crop breeding groups C103 and Oh43 and by lines related to Hy and WF9.
It was noteworthy to see that closely related inbreds (B14A, B68 and AI1; AI3 and AI4; H55 and H96) have a very high similarity coefficient (S>0.8). Our results show that, using a sufficient number of probes, RFLP analysis was able to classify lines with various origins into different breeding groups and to give information about the real genetic distances among different genotypes.
Figure 1. (1-5) (6-10) Linkage map of probes used for RFLP analysis of 41 maize inbred lines.
Figure 2. Dendogram revealing associations between lines following cluster analysis of RFLP data. Genetic distance is calculated using Dice similarity coefficient.
Table 1. Heterotic groups of 41 inbred lines of maize used for
RFLP analysis.
| Inbred | Origin | Inbred | Origin |
| B14 | SSS B14 | Mo17 | LSC C103 |
| A68 | SSS B14 | Lo976 | LSC C103 |
| AI1 | SSS B14 | Lo977 | LSC C103 |
| AI2 | SSS B14 | C103 | LSC C103 |
| CM109 | SSS B14 | C123 | LSC C103 |
| B37 | SSS B37 | Lo881 | LSC C103 |
| Lo999 | SSS B73 | Va22 | LSC C103 |
| B73 | SSS B73 | Va35 | LSC |
| AI3 | SSS B73 | Va59 | LSC |
| AI4 | SSS B73 | Va85 | LSC |
| AI8 | SSS B73 | H99 | LSC Oh43 |
| B84 | SSS B73 | Va26 | LSC Oh43 |
| Lo950 | SSS | AI10 | LSC Oh43 |
| Lo951 | SSS | AI6 | LSC Oh43 |
| AI5 | SSS B3 | AI7 | LSC Oh43 |
| N28 | SSS N28 | Lo924 | LSC Oh43 |
| Pa91 | Wf9 | AI13 | W153R |
| AI9 | Wf9 | AI12 | W153R |
| H55 | HY | Lo932 | W153R |
| H96 | HY | Lo944 | W153R |
| AI11 | HY |
Return to the MNL 65 On-Line Index
Return to the Maize Newsletter Index
Return to the MaizeGDB Homepage